[PSUBS-MAILIST] LED Lights

Hugh Fulton via Personal_Submersibles personal_submersibles at psubs.org
Wed Jul 22 17:34:08 EDT 2015


Hi Cliff,

The lens I am using is borosilicate and is OTS as is the LED driver..

The weakness of mine is that it does not have focus as when you stick it in water it loses its refraction lensing.  Might be a good thing though.  It is easy to make a lens out of acrylic that does what you want.  However as the light source of the LED is about 1.0” square it is not as easy to get a focus or perfect light spread.  I have polished the angled aluminium plate and it helps.

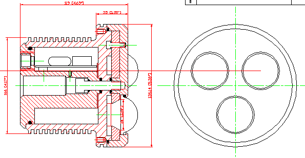
The lenses I am talking about are for the LED’s.   The two designs below are a single LED 80mm diameter and a 3 x LED 136mm diameter.  I have added fins to them but if you need them to hang in out of the water the fins need to be a bit bigger.  I is important to have the heat sink for the LED and the heat sink for the driver separated as much as possible otherwise the combined heat is too much.  Mine is good for about 10 minutes out of the water before it gets too hot.    The larger unit as you can see has 3 x drivers which means if one fails then you still have 2 x LED’s working.  No messy oil and the driver mounting is supporting the flat plate.  Regards,  Hugh

 



 



From: Personal_Submersibles [mailto:personal_submersibles-bounces at psubs.org] On Behalf Of Clifford Redus via Personal_Submersibles
Sent: Thursday, 23 July 2015 8:17 a.m.
To: Personal Submersibles General Discussion
Subject: Re: [PSUBS-MAILIST] LED Lights

 

Ken, yes relative to incandescent, LEDs don't get as hot but having said that if I run the 5000 lumen Bridgelux LED for 5 minutes within the housing but out in the air, it get pretty hot. To me the advantage of Borosilicate glass over polycarbonate or acrylic is the glass is a lot stronger thus we can withstand the design pressure easier thus a thinner lens.  Also, with Borosilicate glass, the lens is going to be less likely to get scratched up with handling.

 

Cliff

 

On Wed, Jul 22, 2015 at 2:41 PM, Ken Martindale via Personal_Submersibles <personal_submersibles at psubs.org> wrote:

LED lamps don’t get very hot so the heat resistant borosilicate may not be necessary. Polycarbonate may work.

 

Ken

 

From: Personal_Submersibles [mailto:personal_submersibles-bounces at psubs.org] On Behalf Of Clifford Redus via Personal_Submersibles
Sent: Wednesday, July 22, 2015 8:36 AM
To: Personal Submersibles General Discussion <personal_submersibles at psubs.org>
Subject: Re: [PSUBS-MAILIST] LED Lights

 

Good points.  Do you know of an OTS source for sapphire lenses?  The nice thing about using heat resistant Borosilicate glass is that it is OTS  www.mcmaster.com/#standard-borosilicate-glass/=y5urr8.

 

 

 

On Wed, Jul 22, 2015 at 12:05 AM, Alan James via Personal_Submersibles <personal_submersibles at psubs.org> wrote:

Just looking on the Deep Sea Power & Light site & their

high power light is 11,000 lumens whereas their standard

light is around 6,000. So I don't think we need to go any

more than 10,000. 

They use saphire lenses, & lights are rated for around 10,000 psi.

I would prefer not using oil. I think it yellows with the heat &

needs to be changed. It would help with the heat disipation though,

& that aspect may take a bit of thinking about.

I mentioned in a previous thread that the capacitors overheating are the main

reason for failure. We discussed the idea of using a heat dispersing epoxy

& maybe an alluminium sleeve over the capacitors to take the heat away.

Maybe all the electronics could sit on a thick alluminium plate that is screwed

in to the housing.

Alan

 

 


  _____  


From: Clifford Redus via Personal_Submersibles <personal_submersibles at psubs.org>
To: Personal Submersibles General Discussion <personal_submersibles at psubs.org> 
Sent: Wednesday, July 22, 2015 2:54 PM
Subject: Re: [PSUBS-MAILIST] LED Lights

 

Alec, on the work we did on the 5000 lumen LED, you had to be very careful that you designed heat sinks in the housing to dissipate heat  or the manufacture solder joint would fail.  The 5000 lumen  Vero 18 has a diameter of 3.6 cm.  The Vero 29, is 4.9 cm or only about 40% larger.  My major concern on packaging 4 of these little beast in one housing is that it is going to pull quite a bit of power and generate a lot of heat to dissipate.  Even though you would save money on connectors as you say, I would like to see us stick with one Vero 29 arrays per housing to make it easier to deal with the heat and keep from drawing so much current.  Also with the smaller housing,  if we limit the max depth of say 1000 fsw, it would be easy to handle the pressure with a 1-atm housing.  Also if we stick with one Vero 29 array per light, we can design the light so that it won't have be submerged to operate.

 

The 5000 lumen light I have will blind you.  Can't imagine what a 10,000 lumen version would be like let alone a 40,000 lumen light!

 

Not locked to anything at this point.   

 

Cliff  

 

 

On Tue, Jul 21, 2015 at 8:59 PM, Alec Smyth via Personal_Submersibles <personal_submersibles at psubs.org> wrote:

I was not familiar with the Vero 29 but just looked it up and I see it's under 5cm in diameter and less than 2mm thick! Wow, that means we're talking about a really small little device despite the hefty lumens output. Since the packaging is so small, and given the current draw is about 4 amps... do you guys think it might be worth making an array of four of these Vero 29s into each light? The cost of machining would likely not be that much more, and the cost of the Subconn connector identical, so it might be quite a bit more economical per lumen to go with a little array of four. It would be a ridiculous number of lumens, ridiculous is good in this case and we're still at a size that would fit very easily on any sub.

 

A first stab at housing decisions, not very premeditated:

 

- Oil filled, so that depth rating is immaterial. In my case I would need it to go to 1000 feet, or more if I wanted it to go on the sub during a depth test.

- Aluminum housing, for ease of machining and corrosion resistance. 

- Flexible plastic lens, to act as a compensation bladder for thermal expansion.

- Subconn connector, not because you need the pressure rating but because it will keep the oil in reliably!

 

Just some initial ideas, I don't own the truth.

 

 

Best,


Alec

 

 

On Tue, Jul 21, 2015 at 8:34 PM, Clifford Redus via Personal_Submersibles <personal_submersibles at psubs.org> wrote:

Ken/Alan/Alec/Jon  

 

More Thoughts

 

After Jon sets up a place were we can collaborate and share files, if it would be helpful, I could post the drawings I have for 5000 lumen flat body 1-atm LED light and a  short video of the 5000 lumen LED in operation.  My thinking is in order to fast track the project we could take this design as a starting point and just geometrically scale up the housing  just large enough to fit 10000 lumen Bridgelux Vero 29 and its support base.  Should be plenty of room for a larger diameter PCB that Ken can design. We should be able to use the same  Subconn MCBH-3MP connector.  We get a good discount on Subconn connectors through Psubs.  This design uses a hard anodized 6061-T6 for the housing and a 3/8" borosilicate glass for the lens.  The lens was an OTS item from McMaster Carr. This design did not have a reflector but it would be easy to incorporate after we settle on beam angle.  

 

To me, the key is to work as group on the draft spec that Ken comes up with.  From the housing perspective, the key items the spec needs to call out are :

 

1) design depth, 

2) 1-atm vs  oil pressure compensated, 

3) housing material 

4) type of electrical penetrator 

 

 I have Autodesk Inventor Professional loaded on my PC.  Using feedback from the group I can use Inventor to generate fabrication drawings an do the FEA work. After we freeze the design, we take Alec up on his offer to machine the housing.  If for any reason, he can't , I can use the machine shop I work with to machine the housing. After we have the prototype, I can test it in my test chamber.  For those that don't have Inventor, Autodesk has a nice 3-D viewing software that the team should be able to download for free and to view and critique design iterations.

 


Cliff

 

 

 

 

 

 

 

On Tue, Jul 21, 2015 at 6:15 PM, Alan James via Personal_Submersibles <personal_submersibles at psubs.org> wrote:

Hi Ken,

a few thoughts once you have settled on the 

electronics are.....

Do we want a hard anodized aluminium housing?

Do we want the housing oil filled?

What sealing configuration do we want?

What beam angle do we want?

What sort of reflector?

What sort of lense?

How are we going to seal the cable coming in to the housing?

   Some of these answers may be dictated by what is available off

the shelf at a reasonable price.

Cheers Alan

 

 


  _____  


From: Ken Martindale via Personal_Submersibles <personal_submersibles at psubs.org>
To: 'Personal Submersibles General Discussion' <personal_submersibles at psubs.org> 
Sent: Wednesday, July 22, 2015 5:16 AM
Subject: Re: [PSUBS-MAILIST] LED Lights

 

The electronics and custom PWB won’t be the issue. Figuring out what we want may be the biggest problem.

 

Ken

 

 

From: Personal_Submersibles [mailto:personal_submersibles-bounces at psubs.org] On Behalf Of Clifford Redus via Personal_Submersibles
Sent: Thursday, July 16, 2015 3:52 PM
To: Personal Submersibles General Discussion
Subject: Re: [PSUBS-MAILIST] LED Lights

 

Alan, we have a lot of collective experience we could use on the project.  I really love the fact that Ken is an EE with experience LED drivers.  After we agree on specs and packaging I am sure he can design a custom PCB for the electronics.  Having just gone through the exercise of designing a 1-arm housing, I don't think it will be difficult to design the housing.

Cliff
On Thursday, July 16, 2015, Alan James via Personal_Submersibles <personal_submersibles at psubs.org> wrote:

Cliff,

I'm on board with the LED light project.

Have done a bit of experimentation & bought about 10 different LED

flashlights, underwater flashlights, flood lights & various lenses.

I also have a friend whose working involves running banks of LED

lights on advertising hordings, if we get stuck on the technical side.

Alan

 


  _____  


From: Clifford Redus via Personal_Submersibles <personal_submersibles at psubs.org>
To: Personal Submersibles General Discussion <personal_submersibles at psubs.org> 
Sent: Friday, July 17, 2015 2:15 AM
Subject: Re: [PSUBS-MAILIST] LED Lights

 

Ken, I have been off the list for some time due to work and due to my email service not passing through psub emails.  I had to go to a gmail email account to get back in the loop.

 

I am in on your suggestion to build LED psub light based on the Bridgelux Varo 29 (BXRC-50C 10K0-L-24) .   I can help on the housing design and I have access to a machine shop to fabricate the housing. I also have test chamber we can use to qualify the prototype.  Maybe we could pick one of the DeepSea Power and light LEDs take its specifications and tweak to fit a typical psubs application.  

 

We would probably need to set up something like Dropbox location, accessible to all that want to participate in the design, fabrication and testing to keep from swamping the PSUB  list.

 

I have a function LED subsea light that works fine but would like more lumens.  It is a 5000 lumen light but would like a 10,000 lumen light.

 

My suggestion is for you take the point since you came up with idea.  Maybe we could canvas the site and see would be interested in working on the project as a first step.  Given your background in EE, maybe you could come up with a first pass at the specification and we can comment on it.

 

Cliff

 

 

 

 

 


_______________________________________________
Personal_Submersibles mailing list
Personal_Submersibles at psubs.org
http://www.psubs.org/mailman/listinfo.cgi/personal_submersibles

 

_______________________________________________
Personal_Submersibles mailing list
Personal_Submersibles at psubs.org
http://www.psubs.org/mailman/listinfo.cgi/personal_submersibles

 


_______________________________________________
Personal_Submersibles mailing list
Personal_Submersibles at psubs.org
http://www.psubs.org/mailman/listinfo.cgi/personal_submersibles

 


_______________________________________________
Personal_Submersibles mailing list
Personal_Submersibles at psubs.org
http://www.psubs.org/mailman/listinfo.cgi/personal_submersibles

 


_______________________________________________
Personal_Submersibles mailing list
Personal_Submersibles at psubs.org
http://www.psubs.org/mailman/listinfo.cgi/personal_submersibles

 

 

_______________________________________________
Personal_Submersibles mailing list
Personal_Submersibles at psubs.org
http://www.psubs.org/mailman/listinfo.cgi/personal_submersibles

 


_______________________________________________
Personal_Submersibles mailing list
Personal_Submersibles at psubs.org
http://www.psubs.org/mailman/listinfo.cgi/personal_submersibles

 


_______________________________________________
Personal_Submersibles mailing list
Personal_Submersibles at psubs.org
http://www.psubs.org/mailman/listinfo.cgi/personal_submersibles

 

-------------- next part --------------
An HTML attachment was scrubbed...
URL: <http://www.whoweb.com/pipermail/personal_submersibles/attachments/20150723/eda2ef87/attachment-0001.html>
-------------- next part --------------
A non-text attachment was scrubbed...
Name: image003.jpg
Type: image/jpeg
Size: 24976 bytes
Desc: not available
URL: <http://www.whoweb.com/pipermail/personal_submersibles/attachments/20150723/eda2ef87/attachment-0001.jpg>
-------------- next part --------------
A non-text attachment was scrubbed...
Name: image004.png
Type: image/png
Size: 15935 bytes
Desc: not available
URL: <http://www.whoweb.com/pipermail/personal_submersibles/attachments/20150723/eda2ef87/attachment-0001.png>


More information about the Personal_Submersibles mailing list